RUSSORESEARCH

energy power systems
Home | Chi Siamo | Cosa Offriamo | L'Energia Solare | La Cogenerazione | Documentazione | Links Utili | Contatti

         
   
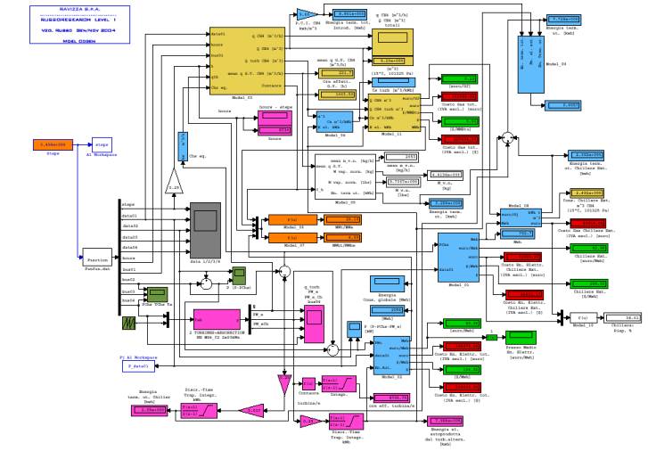
      Lo studio RUSSORESEARCH realizza modelli matematici di impianti esistenti o da realizzare. Con il supporto di strumenti di sviluppo software avanzati, siamo in grado di simulare ed analizzare qualunque tipologia d'impianto e di processo.  
     

Copyright © RUSSORESEARCH
webmaster@russoresearch.it